| 1. |
th99
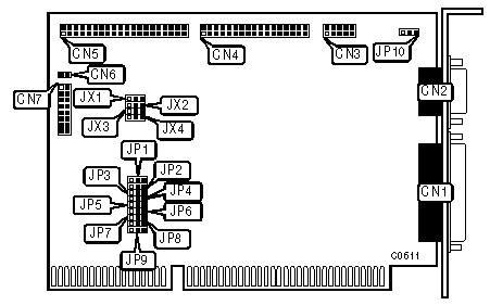
UNIDENTIFIED SUPER I/O CONTROLLER CARD
|
| Data bus: | 16-bit, ISA |
| Size: | Full-length, full-height card |
| Hard drive supported: | Two IDE (AT) Interface drives |
| Floppy drives supported: | Two 360KB, 720KB, 1.2MB, or 1.44MB drives |
| CONNECTIONS |
| Function | Location |
| 2-pin connector - drive active LED | CN1 |
| 16-pin game port - external | CN2 |
| 40-pin IDE (AT) Interface connector | CN3 |
| 34-pin control cable connector - floppy drive | CN4 |
| 10-pin serial port (COM2/4) - internal | CN5 |
| 10-pin serial port (COM1/3) - internal | CN6 |
| 25-pin parallel port (LPT1/2) - external | CN7 |
| USER CONFIGURABLE SETTINGS |
| Function | Location | Setting |
| Game port enable | JP1 | Pins 1 & 2 closed |
| Game port disable | JP1 | Pins 2 & 3 closed |
| Hard disk enable | JP2 | Pins 1 & 2 closed |
| Hard disk disable | JP2 | Pins 2 & 3 closed |
| Floppy disk enable | JP3 | Pins 1 & 2 closed |
| Floppy disk disable | JP3 | Pins 2 & 3 closed |
| Serial port 1 - COM1 | JP4 | Pins 1 & 2 closed |
| Serial port 1 - COM3 | JP4 | Pins 2 & 3 closed |
| Serial port 1 enable | JP5 | Pins 1 & 2 closed |
| Serial port 1 disable | JP5 | Pins 2 & 3 closed |
| Serial port 2 - COM2 | JP6 | Pins 1 & 2 closed |
| Serial port 2 - COM4 | JP6 | Pins 2 & 3 closed |
| Serial port 2 enable | JP7 | Pins 1 & 2 closed |
| Serial port 2 disable | JP7 | Pins 2 & 3 closed |
| Parallel port - LPT2 | JP8 | Pins 1 & 2 closed |
| Parallel port - LPT3 | JP8 | Pins 2 & 3 closed |
| Parallel port enable | JP9 | Pins 1 & 2 closed |
| Parallel port disable | JP9 | Pins 2 & 3 closed |
| IOCHRDY - disable | JP10 | Closed |
| IOCHRDY - enable | JP10 | Open |
| HDC Installed | JX1 | Pins 1 & 2 closed |
| HDC Not Installed | JX1 | Pins 2 & 3 closed |
| IDE type XT | JX2 | Pins 1 & 2 closed |
| IDE type AT | JX2 | Pins 2 & 3 closed |
| Primary hard disk address - 1F0-1F7H, 3F6H, 3F7H | JX3 | Pins 1 & 2 closed |
| Secondary hard disk address - 170-177h, 376h, 377h | JX3 | Pins 2 & 3 closed |
| Primary floppy address - 3F2-3F5h, 3F7, 1F7h | JX4 | Pins 1 & 2 closed |
| Secondary floppy address - 372-375h, 377h, 177h | JX4 | Pins 2 & 3 closed |
(0)
|
|
| |
| |